Москва и МО: 8 (495) 60-20-100
Регионы РФ: 8 (800) 600-47-24
 
Обмеры: 3D сканирование, 3D модели, чертежи
Градуировка бункеров сельхозтехники методом 3D лазерного сканирования для целей учёта и аудита

3D сканирование и градуировка бункеров сельхозтехники для учёта и аудита

23.09.2025 г.

Специалистами инженерной компании «НГКИ» был оперативно выполнен проект по созданию градуировочных таблиц для бункеров сельскохозяйственной техники различных типов в целом ряде южных регионов России для целей учёта сбора зерна и контроля внесения удобрений, а также для аудита.

Точные обмеры бункеров более двадцати моделей сельскохозяйственных машин разных марок, среди которых были как зерноуборочные комбайны, так и машины для внесения минеральных удобрений, осуществлялись нами методом 3D лазерного сканирования системой Leica RTC360.

Один из образцов сельхозтехники, лазерное сканирование, 3D моделирование и градуировку бункера которой мы провели Один из образцов сельхозтехники, лазерное сканирование, 3D моделирование и градуировку бункера которой мы провели

Градуировка бункеров сельхозтехники методом 3D сканирования для учёта и аудита

До этого момента ранее мы уже неоднократно выполняли комплекс работ по градуировке бункеров зерноуборочных комбайнов, и Заказчики остались очень довольны как применяемыми нами технологиями, так и, конечно, итоговыми результатами работ, которые они получили от нас. Подробнее с примерами подобных проектов можно ознакомиться, перейдя по ссылкам ниже:

— «Градуировка бункеров зерноуборочных комбайнов для целей учёта и аудита»;
— «Градуировка бункеров зерноуборочных комбайнов для целей контроля объёмов сбора зерна».

Это довольно стандартная работа для наших специалистов в данном сегменте рынке, но на этот раз поставленная перед нами задача оказалась несколько сложнее, чем раньше.

Один из образцов сельхозтехники, лазерное сканирование, 3D моделирование и градуировку бункера которой мы провели Один из образцов сельхозтехники, лазерное сканирование, 3D моделирование и градуировку бункера которой мы провели

3D обмеры бункеров сельхозмашин для градуировки и установки датчиков наполнения

Данные работы по градуировке бункеров были произведены нами по заказу компании, которая занимается монтажом датчиков наполнения внутри бункеров сельхозмашин. Для установки датчиков требуются следующие материалы:

— точные обмерные 3D модели бункеров;
— эскизные чертежи-схемы бункеров;
— сечения бункеров с шагом 1 сантиметр с указанием размеров;
— градуировочные таблицы каждого типа бункера.

Поскольку компания производит установку датчики на различные марки и типы сельхозмашин, а агропромышленные предприятия, которые являются их заказчиками, расположены в нескольких областях России, нам пришлось проехать по всем этим областям и осуществить обмерные работы методом лазерного сканирования внутренних пространств бункеров каждого типа и марки сельскохозяйственной техники.

Один из образцов сельхозтехники, лазерное сканирование, 3D моделирование и градуировку бункера которой мы провели Один из образцов сельхозтехники, лазерное сканирование, 3D моделирование и градуировку бункера которой мы провели

Лазерное сканирование бункеров сельхозтехники для целей градуировки и учёта

Для полевого этапа работы наши специалисты выбрали компактный лазерный сканер Leica RTC360. Эта сканирующая 3D система позволяет выполнять обмеры сложных объектов в стеснённых условиях.

Трёхмерный лазерный сканер Leica RTC360 — высокоточный прибор, дающий возможность в автоматическом режиме проводить до 2 миллионов измерений в секунду, при этом точность каждого единичного измерения для определения пространственных координат составляет 1 мм.

Лазерное сканирование бункера сельхозмашины проводит система Leica RTC360 для целей моделирования и градуировки Лазерное сканирование бункера сельхозмашины проводит система Leica RTC360 для целей моделирования и градуировки

Важной особенностью этого 3D сканера является автоматическое выравнивание точно по горизонту на аппаратном уровне. Сам лазерный сканер может быть наклонён физически, а результаты измерений всё равно получаются точно выравненными по горизонту. Эта функция очень сильно экономит время при перестановке 3D сканера.

Полевой этап работ по этому проекту получился у наших специалистов достаточно длительным из-за необходимости лазерного сканирования различных видов бункеров разных моделей, а также по причине географической удалённости мест базирования этой сельхозтехники друг от друга; зачастую дорога занимала у нас намного больше времени, чем непосредственно полевые работы. В среднем на обмерные работы каждой единицы сельхозтехники было затрачено по 2–3 часа.

Лазерное сканирование бункера сельхозмашины проводит система Leica RTC360 для целей моделирования и градуировки Лазерное сканирование бункера сельхозмашины проводит система Leica RTC360 для целей моделирования и градуировки

Построение 3D моделей и чертежей бункеров сельхозтехники

Из-за сложной формы бункеров различных сельхозмашин и размещения внутри этих бункеров большого количества деталей и механизмов они являются гораздо более сложным объектом лазерного сканирования и 3D моделирования, чем автоцистерны и грузовые танки танкеров. К тому же, в нашу задачу же ещё входило и точное определение мест расположения датчиков уровня заполнения бункера в каждой из нескольких марок, моделей и типов сельхозмашин для того, чтобы специалисты Заказчика могли правильно смонтировать датчики и далее проводить контроль уровней заполнения бункеров.

Точечная 3D модель бункера сельхозмашины, полученная в результате обработки, очистки и сшивки сделанных сканов Точечная 3D модель бункера сельхозмашины, полученная в результате обработки, очистки и сшивки сделанных сканов

Обмерные работы и построение 3D моделей осуществлялись следующим образом. В каждом бункере было сделано несколько сканов, которые затем, уже на камеральном этапе работ, были нами сшиты для целей получения точечных 3D моделей внутреннего пространства бункеров сельхозмашин. На сшитых облаках точек 3D лазерного сканирования хорошо видны различные датчики и оборудование внутри бункера. После этого по полученным данным мы построили сначала триангуляционные 3D модели бункеров, а затем и твердотельные 3D модели их внутреннего пространства.

Точная обмерная твердотельная 3D модель бункера сельхозмашины, построенная по данным лазерного сканирования Точная обмерная твердотельная 3D модель бункера сельхозмашины, построенная по данным лазерного сканирования

Создание градуировочных таблиц бункеров и чертежей для монтажа датчиков

По согласованию с Заказчиком, в каждом бункере были определены следующие отсчётные плоскости:
— «горизонтальная плоскость «0»: она фиксирует самую нижнюю плоскость бункера; от этой плоскости начинается отсчёт внутреннего объёма бункера комбайна;
— «горизонтальная плоскость края защитных козырьков шнеков, выводящих продукты из бункера»: она обозначает неизмеряемый остаток продукции в бункере; на 3D моделях и чертежах она выделена зелёным цветом;
— «горизонтальная плоскость «базис»: она проходит по верхней грани защитных козырьков и предназначается для отсчёта размещения датчиков заполнения бункера; на чертежах она выделена красным цветом.

Пример сечения, которое было построено по 3D модели бункера сельхозмашины, созданной по данным обмерных работ Пример сечения, которое было построено по 3D модели бункера сельхозмашины, созданной по данным обмерных работ

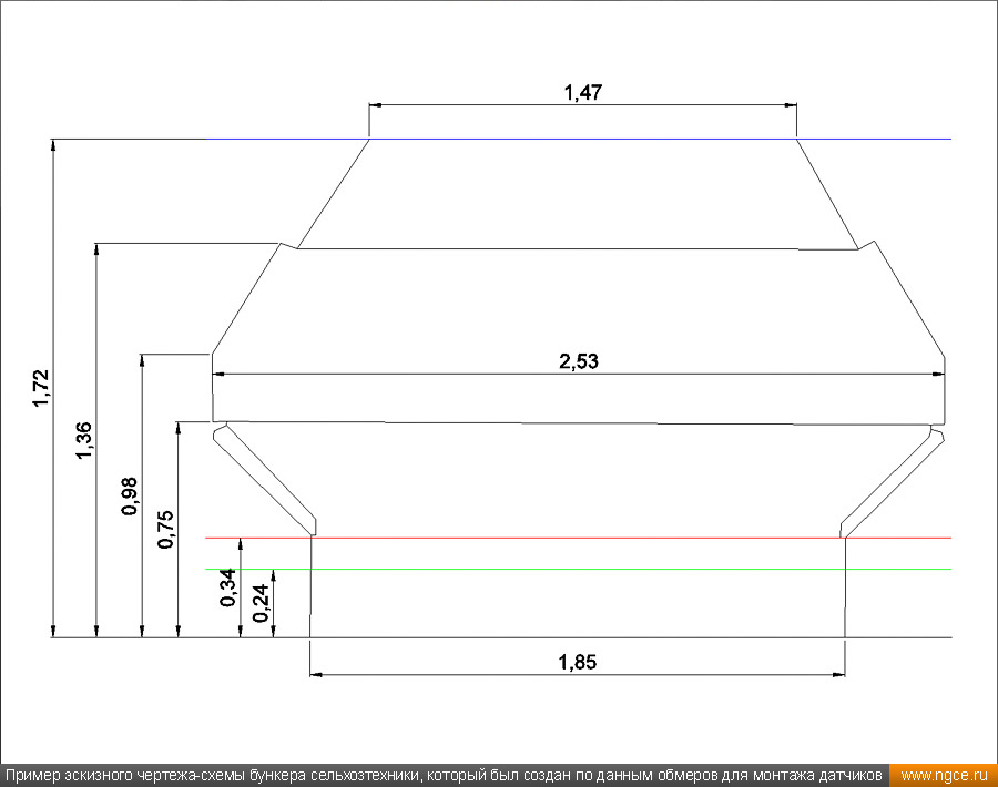
Пример эскизного чертежа-схемы бункера сельхозтехники, который был создан по данным обмеров для монтажа датчиков Пример эскизного чертежа-схемы бункера сельхозтехники, который был создан по данным обмеров для монтажа датчиков

С целью повышения удобства и точности монтажа датчиков заполнения бункеров для каждой модели сельхозтехники по данным выполненных обмерных работ мы построили чертежи-схемы с точным положением датчиков в бункерах.

Для расчёта объёма продукции в бункерах нами были составлены градуировочные таблицы бункеров сельхозмашин. Ниже вы можете посмотреть пример градуировочной таблицы, созданной по данным лазерного сканирования бункера одного из комбайнов:

Градуировочная таблица бункера зерноуборочного комбайна, составленная по данным лазерного сканирования для целей целей учёта сбора зерна, оперативного контроля и аудита

Данный проект был успешно и максимально оперативно реализован нашими инженерами, которые имеют большой опыт выполнения подобных работ с применением технологии трёхмерного лазерного сканирования. Заказчик остался очень доволен качеством и точностью полученных от нас градуировочных таблиц, 3D моделей, сечений и чертежей бункеров различных видов и марок сельхозтехники.

Посмотрите подробный отчёт об этом проекте на нашем сайте

Более подробное описание данного проекта вы сможете найти в разделе «Проекты» нашего веб-сайта или же перейти по данной ссылке на статью об этом интересном проекте:

«Градуировка бункеров сельхозтехники методом 3D лазерного сканирования в южных регионах России для целей учёта, контроля и аудита.

Инженерное предприятие «НГКИ» обладает большим многолетним опытом проведения обмерных работ для точного определения объёмов хранения сыпучих материалов для целей аудита и инвентаризации складов сырья. Сотрудники нашей компании при выполнении съёмки применяют современную технологию лазерного сканирования, которая даёт возможность детально обмерить и отразить форму бурта или же поверхности кучи сыпучего материала на складах или в силосах, а после этого рассчитать необходимые объёмы с минимальной погрешностью. Подробное описание всех видов выполняемых нами работ в этом сегменте рынка вы сможете найти на следующих страницах в разделе «Услуги» нашего сайта:

— «Точное измерение объёмов сыпучих материалов и инвентаризация складов сырья»;
— «Точная градуировка резервуаров и трубопроводов методом 3D лазерного сканирования».

Телефоны для связи:
Москва и Московская область:
Регионы РФ (бесплатно):
Обмерные работы и инженерные изыскания с применением технологии лазерного сканирования
Знаковые проекты
Наши публикации
Печатные издания
Наши видеоролики
Закажите обратный звонок
нашим специалистам
Пожалуйста, укажите Ваше имя и контактные данные в поле ниже. Наши менеджеры свяжутся с Вами.
Укажите свой контактный телефон в поле ниже, мы Вам перезвоним: